T rút PVC Bình Minh

    T rút PVC Bình Minh

  • Liên hệ: 0973390093
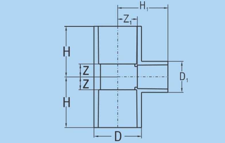
  • Đường kính (ϕ): 21, 27, 34, 42, 49, 60, 90, 114, 140

Đăng ký nhận thông tin tư vấn
Vui lòng nhập họ và tên
Vui lòng nhập số điện thoại
Vui lòng nhập địa chỉ email
Mô tả sản phẩm
Mục lục

    T rút PVC Bình Minh là phụ kiện chuyên dùng để chia nhánh đường ống với kích thước khác nhau trong hệ thống ống nhựa. Sản phẩm được sản xuất từ nhựa PVC-U chất lượng cao, đảm bảo độ bền cơ học, khả năng chịu áp lực ổn định và chống ăn mòn hiệu quả trong môi trường nước. Với thiết kế dạng chữ T rút chuẩn kỹ thuật, T rút PVC Bình Minh giúp kết nối gọn gàng, tiết kiệm không gian và đảm bảo lưu lượng dòng chảy hợp lý. Bề mặt trong trơn nhẵn giúp giảm ma sát, hạn chế bám cặn, dễ thi công lắp đặt bằng keo dán chuyên dụng, phù hợp cho các hệ thống cấp thoát nước dân dụng, công nghiệp và nông nghiệp.

    T rút PVC Bình Minh-1

    Đặc Điểm Nổi Bật Của T Rút PVC Bình Minh

    Thương hiệu Bình Minh đã từ lâu được biết đến với các sản phẩm ống nhựa chất lượng cao, đáp ứng các tiêu chuẩn quốc tế. T rút PVC Bình Minh là một minh chứng rõ nét cho cam kết này, mang đến những ưu điểm vượt trội:

    1. Độ Bền Cao và Khả Năng Chống Chịu Tốt

    T rút PVC Bình Minh được sản xuất từ nhựa Polyvinyl Chloride không hóa dẻo (Unplasticized Polyvinyl Chloride) – một loại nhựa có độ cứng và độ bền cơ học cao. Sản phẩm có khả năng chống chịu tuyệt vời với các tác động từ môi trường như:

    • Chống ăn mòn: Không bị ảnh hưởng bởi hóa chất, axit, kiềm hay các yếu tố gây ăn mòn khác, đảm bảo tuổi thọ lâu dài ngay cả trong môi trường khắc nghiệt.
    • Chống tia UV: Được thiết kế đặc biệt có khả năng chống lại tác động của tia cực tím, giúp duy trì độ bền và màu sắc khi lắp đặt ngoài trời.
    • Chịu va đập: Có khả năng chịu được các va đập cơ học ở nhiệt độ nhất định, giảm thiểu nguy cơ nứt vỡ trong quá trình lắp đặt và sử dụng.

    2. Trọng Lượng Nhẹ, Dễ Lắp Đặt

    So với các vật liệu kim loại, T rút PVC nhẹ hơn đáng kể, thuận tiện hơn trong quá trình vận chuyển, thi công lắp đặt. Hệ thống khớp nối đơn giản, dễ dàng kết nối, giúp tiết kiệm thời gian và chi phí nhân công.

    3. Chi Phí Hợp Lý

    T rút PVC Bình Minh mang lại hiệu quả kinh tế cao. Chi phí đầu tư ban đầu thấp hơn so với các vật liệu cao cấp khác, kết hợp với tuổi thọ cao và chi phí bảo trì thấp, mang lại tổng chi phí sở hữu (TCO) hợp lý trong dài hạn.

    4. Thân Thiện Với Môi Trường

    Nhựa PVC-U có thể tái chế, góp phần giảm thiểu rác thải nhựa và bảo vệ môi trường. Quá trình sản xuất T rút PVC cũng được tối ưu hóa để giảm thiểu tác động đến môi trường.

    Lĩnh Vực Áp Dụng Của T Rút PVC Bình Minh

    Thích hợp dùng cho hệ thống dẫn nước trong các ứng dụng: 

    - Phân phối nước uống. 

    - Hệ thống dẫn nước và tưới tiêu trong nông nghiệp.

    - Hệ thống ống dẫn trong công nghiệp. 

    - Hệ thống thoát nước thải, thoát nước mưa, ...

    Các hệ thống ống này được chọn ngầm hoặc đặt nổi trên mặt đất, lắp đặt bên trong hoặc bên ngoài nhà và phải được tránh ánh nắng mặt trời chiếu trực tiếp.

    Thông tin liên hệ:
    CÔNG TY CỔ PHẦN CƠ ĐIỆN NĂNG LƯỢNG LIFE TECHGROW
    Địa chỉ: 234 Phạm Ngọc Thạch, Khu phố 7, Phường Phú Lợi, TP. Hồ Chí Minh, Việt Nam
    Hotline: 0973.390.093
    Điện thoại: 0973.390.093
    Email: sales@lifetechgrow.com.vn
    Website: https://lifetechgrow.com.vn/

    Thông số kỹ thuật

    Call me: 0973390093
    Zalo: 0973390093